热门搜索 : 注塑机 吹瓶机 快速注塑机 注吹专用注塑机 全自动注塑机 医疗器械高速专用注塑机 高速薄壁专用注塑机
塑机产品
PRODUCT
企业优势:
宝捷精机——专用注塑机行业领跑者!


佛山市宝捷精密机械有限公司是一家集研发、制造、销售、售后服务于一体的专用注塑机械高新技术企业!
宝捷公司自2000年成立以来,始终专注于节能、高效、精密、稳定为核心的注塑设备,也是业内较早涉足高速PET瓶坯领域的专用机器制造商。经过多年的努力,我司在全国PET专用注塑机领域享有卓越地位,占据着领先的市场份额。目前已拥有PET专用机型注射量从800g-6,000g的完备产品线,从主机更多选择,到模具、机械手以及干燥系统等辅助设备的完善配套,提供给不同产量需求的客户贴心的服务,为全方位满足PET瓶坯注塑这一专业细分市场而提供成熟的解决方案。
营销网络:
布局全球,周到服务!




我司是业内PET瓶坯领域涉足较早、做得较好的专用设备服务商,提供领跑PET瓶坯包装行业多年的PET瓶坯全方位完善而成熟的整体解决方案。

采用PET专用螺杆,显著提高熔胶速度和注射量,降低塑化温度与AA值,有效改善瓶坯的收缩,提高透明度;

锁模部分全封闭钣金结构,符合卫生和温控要求。加大顶出力和顶出行程,适应瓶坯顶出要求。

带模具针阀控制接口。

同步保压系统,可提高产能15%~25%。(选配)

同步熔胶动作,缩短成型周期,提高效率。

三工位水冷机械手,节省了在模内冷却的时间,从而降低了生产的时间周期。

多腔、高精密的针阀式PET模具。(选配)
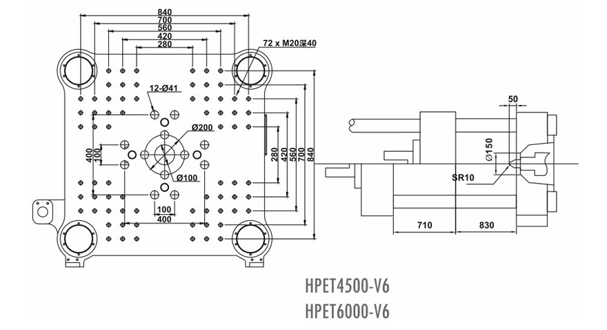
技术参数:

模板尺寸:

高速瓶坯生产线设备配置:



|
1.模具除湿机 2.原料除湿机 3.干燥料斗 4.辅机平台 |
5.不锈钢管 6.自动吸料机 7.电眼料斗 8.耐热钢丝管 |
9.瓶坯模具 10.模具冷水机 11.伺服机械手 12.输送带 |

Copyrilght © 广东宝捷精密机械股份有限公司 版权所有
全国统一销售热线:+86-400 830 0005、+86-757-8669 7806
传真:+86-757-8669 7861 邮箱:powerjet@126.com
中国·广东省佛山市三水区乐平镇创新大道西5号
备案号:粤ICP备17036730号 中企动力提供网站建设