热门搜索 : 注塑机 吹瓶机 快速注塑机 注吹专用注塑机 全自动注塑机 医疗器械高速专用注塑机 高速薄壁专用注塑机
塑机产品
PRODUCT
随着移动互联网络不断深入现代生活和工作,以华为为代表的新一代智能手机的市场份额不断扩大,其配套零件已成为大众所追崇的消费品。宝捷精机继承专用机的优良品质,针对手机配件量轻、精度高、不易成型的特点,打造了MP系列手机配件专用机,主要应用于PC、弹性体等原料的手机配件、电子消费品等。
特点:
1、主要应用于以PC、TPU等原料为主的手机配件、电子消费品等。
2、注射速度和注射压力均提升40%以上,更加适用于不易成型的手机配件生产。
3、PC、TPU专用螺杆,根本上解决产品发黄等问题,采用高强度材质,抗扭抗压性强,先进镀膜工艺。
4、过胶三小件采用SKD材质,耐磨抗疲劳,大大降低开裂概率,提高使用寿命。
5、采用双射移油缸,受力更加平衡,更可靠。
6、增大液压系统,动力更加强劲,提高生产效率。
7、加强模板结构,降低模板变形,精度更高,长期运行稳定。
8、线性导轨装置,高精度、射胶响应快。
参数:
备注:本公司根据产品提升的需要,可对技术参数、部份元件配置及服务内容进行更改,恕不另行通知。
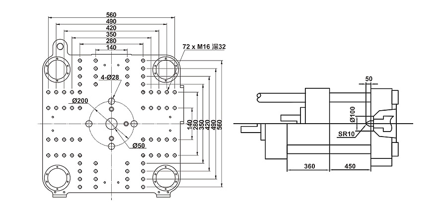
模板尺寸:

Copyrilght © 广东宝捷精密机械股份有限公司 版权所有
全国统一销售热线:+86-400 830 0005、+86-757-8669 7806
传真:+86-757-8669 7861 邮箱:powerjet@126.com
中国·广东省佛山市三水区乐平镇创新大道西5号
备案号:粤ICP备17036730号 中企动力提供网站建设